止回閥可用于給其中的壓力可能升**超過系統壓的輔助系統提供補給的管路上。止回閥主要可分為旋啟式止回閥(依**旋轉)與升降式止回閥(沿軸線移動)。
止回閥這種類型的閥門的作用是只允許介質向一個方向流動,而且阻止反方向流動。通常這種閥門是自動工作的,在一個方向流動的流體壓力作用下,閥瓣打開;流體反方向流動時,由流體壓力和閥瓣的自重合閥瓣作用于閥座,從而切斷流動。
閥體材料 | 公稱壓力 (MPa) | 工作溫度 (℃) | 適用介質 | |
碳 鋼 | 1.6-6.4 | ≤425 | 水、油品、蒸汽 | |
10.0-16.0 | ≤450 | |||
不銹鋼 | P | 1.6-16.0 | ≤200 | 硝酸類 |
R | 1.6-16.0 | ≤200 | 醋酸類 | |
鉻鎳鈦鋼 | PI | 1.6-6.4 | ≤550 | 石油、石油產品 |
鉻鉬鋼 | 1.6-16.0 | ≤550 | 油 | |
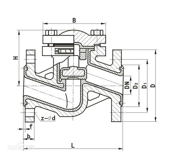
公稱壓力 | 公稱通徑 | 主要連接尺寸 | 外形 尺寸 | ||||||||
| PN | DN | L | D | D 1 | D 2 | D 6 | b | f | f 1 | Z-φd | H |
1.6MPa | 40 | 200 | 145 | 110 | 85 | - | 16 | 2 | - | 4-18 | 95 |
50 | 230 | 160 | 125 | 100 | - | 16 | 2 | - | 4-18 | 105 | |
65 | 290 | 180 | 140 | 120 | - | 18 | 2 | - | 4-18 | 120 | |
80 | 310 | 195 | 165 | 135 | - | 20 | 3 | - | 8-18 | 130 | |
100 | 350 | 215 | 180 | 155 | - | 20 | 3 | - | 8-18 | 140 | |
125 | 400 | 245 | 210 | 185 | - | 22 | 3 | - | 8-12 | 155 | |
150 | 480 | 280 | 240 | 210 | - | 24 | 3 | - | 8-23 | 180 | |
200 | 600 | 335 | 295 | 265 | - | 26 | 3 | - | 12-23 | 215 | |
1)產品標準
《通用閥門 鐵制旋啟式止回閥》GB/T 13932-92
《通用閥門 鋼制旋啟式止回閥》GB 12236 -2008
《通用閥門 鐵制截止閥與升降式止回閥》GB 12233 -2006
《對夾式止回閥》JB/T 8937-2010
《鋼制閥門 一般要求》GB/T 12224-2005
《閥門的檢驗與試驗》JB/T 9092-1999
2)工程標準
《建筑給水排水及采暖工程施工質量驗收規范》GB 50242-2002
《通風與空調工程施工質量驗收規范》GB50243-2002
3)相關標準圖
01SS105 常用小型儀表及特種閥門選用安裝
儀器儀表、自動化裝置、設備開發設計、生產、銷售于一體的化生產制造企業。
擁有一只高素質、求真務實的團隊,技術人員占員工總數39.2%
建立了具有功能齊全、設備專業的理化、計量測試和產品環境試驗。
我們將始終以顧客為關注點,以更好的產品質量、更好的服務來回報各界朋友。

注冊資本
4000㎡廠區面積
500+人員工
1000+案例